
一、精巧型压力变送器概述
精巧型压力变送器是被测介质的压力直接作用于传感器的膜片上(不锈钢或陶瓷),使膜片产生与介质压力成正比的微位移,使传感器的电阻值发生变化,和用电子线路检测这一变化,并转换输出一个对应于这一压力的标准测量信号。
二、精巧型压力变送器性能指标
1、测量范围:-100kPa…0kPa~10kPa…40MPa
2、过压:≤1.5 倍满量程压力或 110MPa(取很小值)
3、精度:±0.5%FS;±1.0%FS
4、工作温度:-10℃~60℃
5、供电电源:11V~28VDC
6、输出信号:4mA~20mA DC(两线制);0/1V~5V DC(三线制,隔爆型)
7、外壳防护:接插件型 IP65;电缆型 IP68
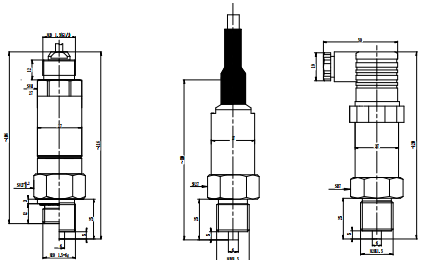
三、精巧型压力变送器外形及安装
1、外形尺寸
2、安装
(1)变送器安装前应注意:
安装地点的压力是否会超过变送器的量程;
所测液体是否与变送器的结构材料相兼容;
所测液体是否会堵塞变送器的引压孔。
(2)安装方法
变送器的安装方向为垂直向下安装。 一般情况下,变送器应向上垂直于水平方向安装。若受环境条件限制,允许变送器很大倾斜至与水平方向成30°角安装。
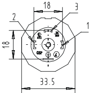
四、电气连接

接线方法:
(1)如果变送器的插头已经连接在变送器本体上,若需拿下插头, 请用小螺丝刀拧松插头顶部中心螺钉,即可将插头从变送器本 体上的插座里拔出来。若想把插头与变送器本体相连接,请按 相反顺序操作。(注意:变送器本体的插座请用户不要轻易拧下,更不能随便 调节变送器里的电位器,以免影响使用。)
(2)若想拆开插头,以便连接导线,请首先抽掉插头顶部中心螺钉,用小型一字螺丝刀插入插头底部标有“lift”的一角稍用力向 外撬,插头芯即可和插头外壳分离。
(3)请选用Φ4.5~Φ7mm 外径的屏蔽电缆,把电缆线穿过插头外壳 上的电缆孔,将相应的电缆 线连接到插头芯的接线端子上,接线端子旁标有明显的编号。(注意接线可靠,避免线间出现短路。)
(4) 把电缆线稍抽紧,将插头芯推进插头外壳(可以听到“咔嗒” 一声),用手拧紧外壳上电缆紧固螺母,即完成接线。
(5)若需拆开插头,以便拆掉导线,请首先用手拧松插头外壳上的 电缆紧固螺母,使导线没有被挤紧,然后按第(2)项操作取出插头芯,用小螺丝刀把线从接线端子上取下,抽出电缆线,再 安装好插头芯及插头与插座的连接。(注意:插头重新安装于插座时,应将插头上的矩形橡胶圈恢复 到卸下前的状态,以确保变送器的防护等级。)
江苏捷特仪表有限公司 Copyright 2021 All Right Reserved 备案号:苏ICP备11066988号-2

